Изолирующее фланцевое соединение предназначено для защиты элементов трубопроводной системы от электрохимической коррозии. Обеспечивает прерывание протекания электрического тока по трубопроводу.
Компания "ГазКип-Оборудование" – надежный поставщик оборудования для систем отопления, газо- и водоснабжения. Мы сотрудничаем с ведущими производителями и поставляем своим клиентам продукцию высокого качества по минимальным ценам.
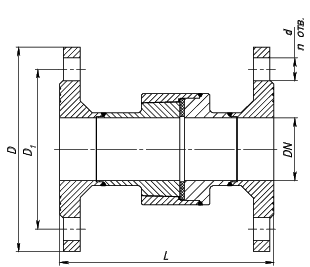
Фланцевые CИ-ф
Соединения изолирующие стальные полнопроходные СИ-ф
Основные технические характеристики
| Рабочая среда | среды, по отношению к которым применяемые материалы коррозионностойки |
| Давление PN | 16 кг/см2 |
| Температура эксплуатации | от -40 °C до +40 °C |
| Класс герметичности | «A» ГОСТ 9544-2005 |
| Сопротивление изолятора | ?10 МОм |
| Материалы основных деталей | ст 20 |
| Климатическое исполнение | У1, Т1, УХЛ1 по ГОСТ 15150-69* |
| Тип присоединения к трубопроводу | фланцевое |
| Установочное положение | любое |
| Наружное антикоррозионное покрытие | композиция полиуретановая «ЛИТУРЕН» |
| Гарантийный срок | 12 месяцев |
| Срок служб | 5 лет |
| Изготовление и поставка | ТУ 4859-001-35506687-2000 |


Резьбовые CИ-р
Соединения изолирующие стальные полнопроходные СИ-р
Основные технические характеристики
| Рабочая среда | среды, по отношению к которым применяемые материалы коррозионностойки |
| Давление PN | 16 кг/см2 |
| Температура эксплуатации | от -40 °C до +40 °C |
| Класс герметичности | «A» ГОСТ 9544-2005 |
| Сопротивление изолятора | ?10 МОм |
| Материалы основных деталей | ст 20 |
| Климатическое исполнение | У1, Т1, УХЛ1 по ГОСТ 15150-69* |
| Тип присоединения к трубопроводу | резьбовое |
| Установочное положение | любое |
| Наружное антикоррозионное покрытие | композиция полиуретановая «ЛИТУРЕН» |
| Гарантийный срок | 12 месяцев |
| Срок служб | 5 лет |
| Изготовление и поставка | ТУ 4859-001-35506687-2000 |


Под приварку CИ-с
Соединения изолирующие стальные полнопроходные СИ-с
Основные технические характеристики
| Рабочая среда | среды, по отношению к которым применяемые материалы коррозионностойки |
| Давление PN | 16 кг/см2 |
| Температура эксплуатации | от -40 °C до +40 °C |
| Класс герметичности | «A» ГОСТ 9544-2005 |
| Сопротивление изолятора | ?10 МОм |
| Материалы основных деталей | ст 20 |
| Климатическое исполнение | У1, Т1, УХЛ1 по ГОСТ 15150-69* |
| Тип присоединения к трубопроводу | сварное |
| Установочное положение | любое |
| Наружное антикоррозионное покрытие | композиция полиуретановая «ЛИТУРЕН» |
| Гарантийный срок | 12 месяцев |
| Срок служб | 5 лет |
| Изготовление и поставка | ТУ 4859-001-35506687-2000 |

