Регулятор температуры прямого действия типа РТ-ДО(ДЗ) предназначен для автоматического поддержания температуры регулируемой среды путём изменения расхода воды, пара и других жидких и газообразных сред, неагрессивных к материалам регулятора (корпус СЧ-15, седло 40Х13 или БрО3Ц7С5Н1, клапан 20Х13, шток и термобаллон термосистемы 12Х18Н10Т).
Регулятор РТ-ДО - с двухходовым нормально открытым регулирующим органом; РТ-ДЗ - с двухходовым нормально закрытым регулирующим органом. По спец. заказу корпус прибора может быть изготовлен из стали 35 или 12Х18Н10Т.
Для систем центрального отопления; охладителей двигателей, конденсаторов и очистных станций; парогенераторов; печей; теплообменников; бойлеров; цистерн; обезжиривающих установок и гальванических сушильных шкафов; сушильных помещений и теплиц; трубопроводных магистралей.

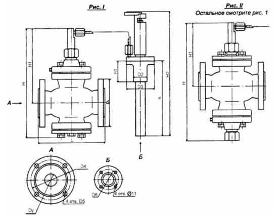
Рис. 1. РТ-ДО
Рис. 2. РТ-ДЗ
| Диапазоны настройки регулируемой температуры, °C | 0-40; 20-60; 40-80; 60-100; 80-120; 100-140; 120-160; 140-180 |
| Условная пропускная способность, Кv, м³/ч | 2,5 |
| Зона пропорциональности, °C, | 10 |
| Зона нечувствительности, °C, | 1 |
| Постоянная времени, с | 100 |
| Допустимая протечка в % от Кv | 0,1 |
| Температура регулируемой среды, °C | от –15 до + 225 |
| Длина дистанционной связи, м | 1,6; 2,5; 4,0; 6,0; 10,0 |
| Условное давление, МПа | 1,0 |
| Давление регулируемой среды, МПа | 1,6 |
| Максимальный перепад давления на регулирующем клапане, МПа | 0,6 |
| Масса регуляторов, кг | 7 |
| Погрешность установки по шкале настройки, °С | ±3 |
| Dy,мм | 15 |
| D1,мм | 95 |
| D2,мм | 34 |
| D3,мм | 80 |
| D4,мм | 65 |
| D5,мм | 14 |
| D6,мм | 65 |
| H,мм | 265 |
| H1,мм | 195 |
| H2,мм | 470 |
| h,мм | 270 |
| h1,мм | 64 |
| L1,мм | 130±1,0 |
| Диапазоны настройки регулируемой температуры, °C | 0-40; 20-60; 40-80; 60-100; 80-120; 100-140; 120-160; 140-180 |
| Условная пропускная способность, Кv, м³/ч | 2,5 |
| Зона пропорциональности, °C, | 10 |
| Зона нечувствительности, °C, | 1 |
| Постоянная времени, с | 100 |
| Допустимая протечка в % от Кv | 0,1 |
| Температура регулируемой среды, °C | от –15 до + 225 |
| Длина дистанционной связи, м | 1,6; 2,5; 4,0; 6,0; 10,0 |
| Условное давление, МПа | 1,0 |
| Давление регулируемой среды, МПа | 1,6 |
| Максимальный перепад давления на регулирующем клапане, МПа | 0,6 |
| Масса регуляторов, кг | 7 |
| Погрешность установки по шкале настройки, °С | ±3 |
| Dy,мм | 15 |
| D1,мм | 95 |
| D2,мм | 34 |
| D3,мм | 80 |
| D4,мм | 65 |
| D5,мм | 14 |
| D6,мм | 65 |
| H,мм | 265 |
| H1,мм | 180 |
| H2,мм | 470 |
| h,мм | 270 |
| h1,мм | 64 |
| L1,мм | 130±1,0 |
Цену уточняйте по телефону +7 (916) 737-62-61 или email: promgas74@ro.ru
| Диапазоны настройки регулируемой температуры, °C | 0-40; 20-60; 40-80; 60-100; 80-120; 100-140; 120-160; 140-180 |
| Условная пропускная способность, Кv, м³/ч | 6,3 |
| Зона пропорциональности, °C, | 10 |
| Зона нечувствительности, °C, | 1 |
| Постоянная времени, с | 100 |
| Допустимая протечка в % от Кv | 0,1 |
| Температура регулируемой среды, °C | от –15 до + 225 |
| Длина дистанционной связи, м | 1,6; 2,5; 4,0; 6,0; 10,0 |
| Условное давление, МПа | 1,0 |
| Давление регулируемой среды, МПа | 1,6 |
| Максимальный перепад давления на регулирующем клапане, МПа | 0,6 |
| Масса регуляторов, кг | 9,5 |
| Погрешность установки по шкале настройки, °С | ±3 |
| Dy,мм | 25 |
| D1,мм | 115 |
| D2,мм | 34 |
| D3,мм | 80 |
| D4,мм | 85 |
| D5,мм | 14 |
| D6,мм | 65 |
| H,мм | 285 |
| H1,мм | 205 |
| H2,мм | 470 |
| h,мм | 270 |
| h1,мм | 64 |
| L1,мм | 160±1,0 |
| Диапазоны настройки регулируемой температуры, °C | 0-40; 20-60; 40-80; 60-100; 80-120; 100-140; 120-160; 140-180 |
| Условная пропускная способность, Кv, м³/ч | 6,3 |
| Зона пропорциональности, °C, | 10 |
| Зона нечувствительности, °C, | 1 |
| Постоянная времени, с | 100 |
| Допустимая протечка в % от Кv | 0,1 |
| Температура регулируемой среды, °C | от –15 до + 225 |
| Длина дистанционной связи, м | 1,6; 2,5; 4,0; 6,0; 10,0 |
| Условное давление, МПа | 1,0 |
| Давление регулируемой среды, МПа | 1,6 |
| Максимальный перепад давления на регулирующем клапане, МПа | 0,6 |
| Масса регуляторов, кг | 9,5 |
| Погрешность установки по шкале настройки, °С | ±3 |
| Dy,мм | 25 |
| D1,мм | 115 |
| D2,мм | 34 |
| D3,мм | 80 |
| D4,мм | 85 |
| D5,мм | 14 |
| D6,мм | 65 |
| H,мм | 295 |
| H1,мм | 155 |
| H2,мм | 470 |
| h,мм | 270 |
| h1,мм | 64 |
| L1,мм | 160±1,0 |
Цену уточняйте по телефону +7 (916) 737-62-61 или email: promgas74@ro.ru
| Диапазоны настройки регулируемой температуры, °C | 0-40; 20-60; 40-80; 60-100; 80-120; 100-140; 120-160; 140-180 |
| Условная пропускная способность, Кv, м³/ч | 16,0 |
| Зона пропорциональности, °C, | 10 |
| Зона нечувствительности, °C, | 1 |
| Постоянная времени, с | 100 |
| Допустимая протечка в % от Кv | 0,1 |
| Температура регулируемой среды, °C | от –15 до + 225 |
| Длина дистанционной связи, м | 1,6; 2,5; 4,0; 6,0; 10,0 |
| Условное давление, МПа | 1,0 |
| Давление регулируемой среды, МПа | 1,6 |
| Максимальный перепад давления на регулирующем клапане, МПа | 0,6 |
| Масса регуляторов, кг | 14,5 |
| Погрешность установки по шкале настройки, °С | ±3 |
| Dy,мм | 40 |
| D1,мм | 145 |
| D2,мм | 34 |
| D3,мм | 80 |
| D4,мм | 110 |
| D5,мм | 14 |
| D6,мм | 65 |
| H,мм | 325 |
| H1,мм | 225 |
| H2,мм | 470 |
| h,мм | 270 |
| h1,мм | 64 |
| L1,мм | 200±1,0 |
| Диапазоны настройки регулируемой температуры, °C | 0-40; 20-60; 40-80; 60-100; 80-120; 100-140; 120-160; 140-180 |
| Условная пропускная способность, Кv, м³/ч | 16,0 |
| Зона пропорциональности, °C, | 10 |
| Зона нечувствительности, °C, | 1 |
| Постоянная времени, с | 100 |
| Допустимая протечка в % от Кv | 0,1 |
| Температура регулируемой среды, °C | от –15 до + 225 |
| Длина дистанционной связи, м | 1,6; 2,5; 4,0; 6,0; 10,0 |
| Условное давление, МПа | 1,0 |
| Давление регулируемой среды, МПа | 1,6 |
| Максимальный перепад давления на регулирующем клапане, МПа | 0,6 |
| Масса регуляторов, кг | 14,5 |
| Погрешность установки по шкале настройки, °С | ±3 |
| Dy,мм | 40 |
| D1,мм | 145 |
| D2,мм | 34 |
| D3,мм | 80 |
| D4,мм | 110 |
| D5,мм | 14 |
| D6,мм | 65 |
| H,мм | 335 |
| H1,мм | 185 |
| H2,мм | 470 |
| h,мм | 270 |
| h1,мм | 64 |
| L1,мм | 200±1,0 |
Цену уточняйте по телефону +7 (916) 737-62-61 или email: promgas74@ro.ru
| Диапазоны настройки регулируемой температуры, °C | 0-40; 20-60; 40-80; 60-100; 80-120; 100-140; 120-160; 140-180 |
| Условная пропускная способность, Кv, м³/ч | 25,0 |
| Зона пропорциональности, °C, | 10 |
| Зона нечувствительности, °C, | 1 |
| Постоянная времени, с | 100 |
| Допустимая протечка в % от Кv | 0,1 |
| Температура регулируемой среды, °C | от –15 до + 225 |
| Длина дистанционной связи, м | 1,6; 2,5; 4,0; 6,0; 10,0 |
| Условное давление, МПа | 1,0 |
| Давление регулируемой среды, МПа | 1,6 |
| Максимальный перепад давления на регулирующем клапане, МПа | 0,6 |
| Масса регуляторов, кг | 22 |
| Погрешность установки по шкале настройки, °С | ±3 |
| Dy,мм | 50 |
| D1,мм | 160 |
| D2,мм | 53 |
| D3,мм | 100 |
| D4,мм | 125 |
| D5,мм | 18 |
| D6,мм | 80 |
| H,мм | 430 |
| H1,мм | 315 |
| H2,мм | 690 |
| h,мм | 490 |
| h1,мм | 80 |
| L1,мм | 230±1,0 |
| Диапазоны настройки регулируемой температуры, °C | 0-40; 20-60; 40-80; 60-100; 80-120; 100-140; 120-160; 140-180 |
| Условная пропускная способность, Кv, м³/ч | 25,0 |
| Зона пропорциональности, °C, | 10 |
| Зона нечувствительности, °C, | 1 |
| Постоянная времени, с | 100 |
| Допустимая протечка в % от Кv | 0,1 |
| Температура регулируемой среды, °C | от –15 до + 225 |
| Длина дистанционной связи, м | 1,6; 2,5; 4,0; 6,0; 10,0 |
| Условное давление, МПа | 1,0 |
| Давление регулируемой среды, МПа | 1,6 |
| Максимальный перепад давления на регулирующем клапане, МПа | 0,6 |
| Масса регуляторов, кг | 22 |
| Погрешность установки по шкале настройки, °С | ±3 |
| Dy,мм | 50 |
| D1,мм | 160 |
| D2,мм | 53 |
| D3,мм | 100 |
| D4,мм | 125 |
| D5,мм | 18 |
| D6,мм | 80 |
| H,мм | 440 |
| H1,мм | 255 |
| H2,мм | 690 |
| h,мм | 490 |
| h1,мм | 80 |
| L1,мм | 230±1,0 |
Цену уточняйте по телефону +7 (916) 737-62-61 или email: promgas74@ro.ru
| Диапазоны настройки регулируемой температуры, °C | 0-40; 20-60; 40-80; 60-100; 80-120; 100-140; 120-160; 140-180 |
| Условная пропускная способность, Кv, м³/ч | 60 |
| Зона пропорциональности, °C, | 12,5 |
| Зона нечувствительности, °C, | 1 |
| Постоянная времени, с | 100 |
| Допустимая протечка в % от Кv | 0,1 |
| Температура регулируемой среды, °C | от –15 до + 225 |
| Длина дистанционной связи, м | 1,6; 2,5; 4,0; 6,0; 10,0 |
| Условное давление, МПа | 0,63 |
| Давление регулируемой среды, МПа | 1,6 |
| Максимальный перепад давления на регулирующем клапане, МПа | 0,4 |
| Масса регуляторов, кг | 40 |
| Погрешность установки по шкале настройки, °С | ±3 |
| Dy,мм | 80 |
| D1,мм | 185 |
| D2,мм | 53 |
| D3,мм | 100 |
| D4,мм | 150 |
| D5,мм | 18 |
| D6,мм | 80 |
| H,мм | 500 |
| H1,мм | 355 |
| H2,мм | 690 |
| h,мм | 490 |
| h1,мм | 80 |
| L1,мм | 310±1,5 |
| Диапазоны настройки регулируемой температуры, °C | 0-40; 20-60; 40-80; 60-100; 80-120; 100-140; 120-160; 140-180 |
| Условная пропускная способность, Кv, м³/ч | 60 |
| Зона пропорциональности, °C, | 12,5 |
| Зона нечувствительности, °C, | 1 |
| Постоянная времени, с | 100 |
| Допустимая протечка в % от Кv | 0,1 |
| Температура регулируемой среды, °C | от –15 до + 225 |
| Длина дистанционной связи, м | 1,6; 2,5; 4,0; 6,0; 10,0 |
| Условное давление, МПа | 0,63 |
| Давление регулируемой среды, МПа | 1,6 |
| Максимальный перепад давления на регулирующем клапане, МПа | 0,4 |
| Масса регуляторов, кг | 40 |
| Погрешность установки по шкале настройки, °С | ±3 |
| Dy,мм | 80 |
| D1,мм | 185 |
| D2,мм | 53 |
| D3,мм | 100 |
| D4,мм | 150 |
| D5,мм | 18 |
| D6,мм | 80 |
| H,мм | 510 |
| H1,мм | 285 |
| H2,мм | 690 |
| h,мм | 490 |
| h1,мм | 80 |
| L1,мм | 310±2,0 |
Цену уточняйте по телефону +7 (916) 737-62-61 или email: promgas74@ro.ru