Применяется в газораспределительных пунктах (ГРП) и установках (ГРУ), системах газоснабжения коммунальных и промышленных объектов, системах вентиляции и кондиционирования, в котельных, тепловых пунктах, компрессорных установках и другом технологическом оборудовании.
| Обозначение ВИЛН.491112.017 | |
| Номинальный диаметр DN .. 15 | |
| Номинальное давление PN, МПа (кгс/см2) 1,6 (16) | |
| Пробное давление Рпр, МПа (кгс/см2) 2,4 (24) | |
| Рабочая среда | Воздух, природный газ, аргон и другие газыи жидкости, неагрессивные к медным сплавами масло-бензостойкой резине |
| Вид действия нормально — закрыт | |
| Температура рабочей среды t, °С от -40 до +70 | |
| Температура окружающей среды t, °С от -40 до +40 | |
| Герметичность затвора по ГОСТ Р 54808-2011 класс «А» | |
| Климатическое исполнение по ГОСТ 15150-69 У1 | |
| Материал основных деталей . латунь | |
| Материал уплотнения резина | |
| Управление краном ручное | |
| Масса, кг .. 0,23 | |
| Изготовление и приемка по ТУ 3712–039–05749381–2012 | |
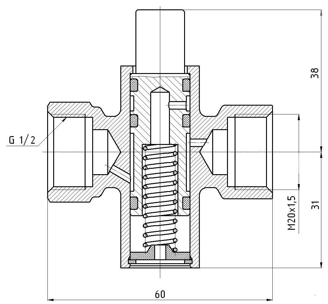
Кран кнопочный латунный для манометра тип «НО»
DN 15 PN 1,6 МПа

Гарантийные обязательства:
Гарантийные сроки эксплуатации – 18 месяцев.
Гарантийная наработка – 1200 циклов.
Пример записи крана НЗ-исполнения DN 15, PN 1,6 МПа (16 кгс/см2) с резьбой на входе (со стороны рабочего давления) G1/2” и резьбой на выходе (со стороны измерителя давления) М20х1,5 при заказе и в документации другого изделия:
«Кран кнопочный DN 15, PN 1,6 МПа ВИЛН.491112.017
ТУ 3712–039–05749381–2012».